芯城品牌采购网 > 品牌资讯 > 技术方案 > 浅谈6N139系列光耦合器的低电流输入电路
芯城品牌采购网
21126
本文讨论了使用6N139系列光耦合器的低电流输入电路的想法。其中一些电路设计是信号检测,瞬态检测,矩阵和非负载线路接收。还介绍了6N139输出电路的示例以及计算方法。
光耦合和LED技术的进步为我们提供了6N139。这种独特的光耦合器具有500 µA的输入LED电流规格,打开了一些有趣的设计门。除了明显且广为人知的由CMOS电路直接驱动的能力外,6N139还可以考虑用于信号检测,瞬态检测,矩阵和非负载线路接收。以下是一些激发设计师兴趣的电路构想。

6N139用于信号检测的输入电路。
为了检测直流电源上的不良信号,请使用:

C =向LED注入500微安
X =跟随闩锁或非闩锁输出电路
LED =6N139的输入二极管
为LED提供50微安的正向电流,以将LED容量充电至VF电平。这样,LED不会在其输出电路中引起导通,而是准备非常快地导通。“ DC电源”上的任何噪声或振荡都会通过“ C”耦合,从而在LED上产生信号。即使很小的有害信号也可能导致LED正向电流发生较大变化。一旦LED的正向电流等于或超过500微安,输出电路便会导通,表明存在有害信号。

脉冲或波形检测电路。
为了检测是否存在所需的信号,脉冲或波形,请使用:
X =跟随的非闩锁输出电路
LED =6N139的输入二极管
f =频率
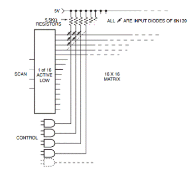
矩阵光电耦合
利用6N139的低输入LED电流优势,现在可以用一个TTL输出驱动矩阵,如图3所示。

矩阵之外的光耦合。
非负载线路接收器
对于虚拟负载,6N139与图4的差分放大器电路兼容。

差分放大器驱动。
对于虚拟的空载光隔离器电路,请使用:
X =跟随的非闩锁输出电路
LED = 6N139的输入二极管
“in”处的电流要求将小于20μA。
免责声明:
文章内容转自互联网,不代表本站赞同其观点;
如涉及内容、图片、版权等问题,请联系2644303206@qq.com我们将在第一时间删除内容!